January 2022

7.3 idi wiring harness diagram

7.3 idi wiring harness diagram

Wiring Diagrams Schematics 7.3L IDI The Diesel Stop Here are 7.3 IDI non-power stroke wiring diagrams to help find th...
7.3 idm wiring diagram

7.3 idm wiring diagram

7.3 Powerstroke Electrical Diagram babyinspire I am working on a 95 f250 7 3 powerstroke it has a no start condition ...
7.3 injector wiring harness diagram

7.3 injector wiring harness diagram

1995 7.3 injector wiring diagram Ford Power Stroke Nation Cam89. Fairly new to the Power Stroke Nation. Recently baug...
7.3 injector wiring diagram

7.3 injector wiring diagram

7.3 injector wiring harness wiring diagram engine fan 1986 port buick 1964 riviera cooling injection injector fuel tu...
4 pin fan wiring diagram

4 pin fan wiring diagram

3 pin and 4 pin Fan Wire Diagrams Cooler Master FAQ . 3 pin and 4 pin Fan Wire Diagrams. 3 pin Fan Connections. *cable coloring varies...
4 pin flasher relay wiring diagram

4 pin flasher relay wiring diagram

4 Pin Flasher Relay Wiring Diagram Wiring Diagram . 4 Pin Flasher Relay Wiring Diagram. May 30, 2022 by Eugenie Prehoda. Flasher relay...
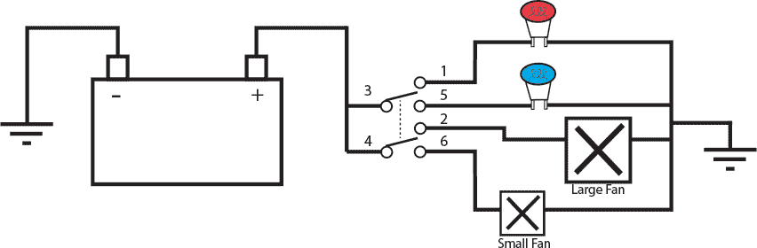
4 pin dpdt switch wiring diagram

4 pin dpdt switch wiring diagram

4 Pin Dpdt Switch Wiring Diagram Collection got2bwireless.com . Effectively read a cabling diagram, one provides to know how the parti...